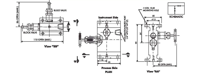
WINFLOW 2 VALVE MANIFOLD - FLANGE TO FLANGE
WINFLOW2 Valve Manifold flange to flange are mainly used in gauge and static instrument applications such as pressure switches, pressure transmitter and manometers. The manifold will isolate instrumentation from the process and allow venting of instrument for calibration, removal from the circuit without affecting the process/ application and or recovery of the sample etc.
DESIGN FEATURES
- Forged one piece body construction for higher strength.
- Offset vent valve for ease of operation.
- Accurate and fine control of venting.
- Metal to metal body bonnet seal for higher pressure and temperature sealing.
- Temperature rating -50°C TO 230°C.
- Mounting holes are standard to allow easy fixing to pipe stands and enclosure.
- Non rotating Vee/Ball tip design.
- Full material traceability.
- Material of construction can be supplied to meet the requirement of NACE MR-01-75.
